Roestvrijstalen rijtuigbout
1.ASME B18.5.2.1m Metrische ronde hoofd Korte vierkante nekbouten
2. Bronboutfabrikant, eigen fabriek: met prijsvoordeel, het elimineren van het prijsverschil van tussenpersonen.
3. Neem de hoogste hoogwaardige verdikt staal, hoge stabiliteit en duurzame duurzaamheid van de industrie over.
4. Ondersteuning van de aanpassing van de klant.
5. Professionele verkoop en after-sales service, welkom om op elk moment te informeren.
6. Levering op tijd.
Roestvrijstalen koetsbout: sterke, duurzame en corrosiebestendige bevestigingsoplossing
Roestvrijstalen koets boutenzijn een veelzijdige en betrouwbare bevestigingsoptie die veel wordt gebruikt in constructie, houtbewerking en verschillende industriële toepassingen. Bekend om hun robuustheid en weerstand tegen corrosie,roestvrijstalen koets boutenzijn ontworpen om langdurige en beveiligde verbindingen te bieden in omgevingen die worden blootgesteld aan vocht, chemicaliën en andere barre omstandigheden.
Foto's
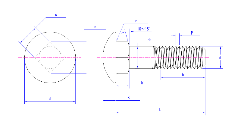
Producttekening
Belangrijke kenmerken vanRoestvrijstalen koets bouten
Corrosieweerstand
Een van de belangrijkste voordelen vanroestvrijstalen koets boutenis hun uitzonderlijke corrosieweerstand. Gemaakt van hoogwaardig roestvrij staal, zijn deze bouten ideaal voor gebruik in buiten- of natte omgevingen, zoals mariene instellingen, bouwplaatsen en landschapsprojecten. Hun weerstand tegen roest zorgt voor een langere levensduur, waardoor ze duurzamer worden in vergelijking met standaard stalen bouten.Glad, afgerond hoofdontwerp
Roestvrijstalen koets boutenhebben een gladde, afgeronde kop, die helpt om vast te haken en een nette, afgewerkte look biedt. De afgeronde kop maakt deze bouten ook geschikt voor toepassingen waar het oppervlak uiterlijk belangrijk is, omdat ze scherpe randen of uitsteeksels vermijden.Vierkante nekontwerp
De unieke vierkante nek van deroestvrijstalen rijtuigboutis ontworpen om te voorkomen dat de bout tijdens de installatie roteert. Deze functie zorgt ervoor dat de bout veilig op zijn plaats blijft wanneer het wordt vastgedraaid, waardoor een stabiele verbinding wordt geboden zonder extra vergrendelingsmechanismen.Volledige schroefdraad voor eenvoudige installatie
Roestvrijstalen koets boutenzijn meestal volledig schroefdraad, waardoor ze gemakkelijker te installeren zijn in verschillende materialen, waaronder hout, metaal en plastic. De schroefdraad zorgt voor een strakke en veilige verbinding, zodat de bout na verloop van tijd niet loskomt.
Voordelen van het gebruikRoestvrijstalen koets bouten
Duurzaamheid op lange termijn
Roestvrijstalen koets boutenstaan bekend om hun vermogen om harde omgevingscondities te weerstaan. Hun weerstand tegen corrosie, roest en chemische afbraak betekent dat ze jarenlang betrouwbare prestaties kunnen leveren, waardoor de behoefte aan frequente vervangingen wordt verminderd. Deze duurzaamheid maakt ze een slimme investering voor projecten die langdurige oplossingen vereisen.Verbeterde sterkte en belastingverdeling
De vierkante nek van deroestvrijstalen rijtuigboutcreëert een strakke pasvorm in het materiaal waaraan het wordt bevestigd, wat helpt om de belasting gelijkmatig te verdelen. Dit maakt hen ideaal voor het beveiligen van zware componenten in constructie, meubels en industriële machines, waar kracht en stabiliteit cruciaal zijn.Esthetisch beroep
De schone, afgeronde kop van deroestvrijstalen rijtuigboutBiedt een strak en professioneel uiterlijk. Of u nu houten dekken, buitenmeubels of structurele kaders samenstelt, deze bouten dragen bij aan de algehele esthetiek van uw project, waardoor ze een voorkeurskeuze zijn voor zichtbare toepassingen.Veelzijdige toepassingen
Roestvrijstalen koets boutenzijn veelzijdige bevestigingsmiddelen die in verschillende toepassingen kunnen worden gebruikt. Hun vermogen om verschillende materialen, zoals hout of metaal tot metaal, veilig te bevestigen, maakt ze geschikt voor alles, van doe-het-zelf-thuisprojecten tot grootschalige industriële installaties.
Toepassingen vanRoestvrijstalen koets bouten
Houtbewerking en timmerwerk
Roestvrijstalen koets boutenworden vaak gebruikt in houtbewerkingsprojecten, waaronder meubels, terras en hekconstructie. Hun corrosiebestendige eigenschappen maken ze ideaal voor buitenmeubels, waarbij blootstelling aan vocht en weer een zorg is. Het afgeronde hoofdontwerp zorgt ook voor een schone afwerking op houtoppervlakken.Bouw en infrastructuur
In de bouwsector,roestvrijstalen koets boutenworden vaak gebruikt voor het beveiligen van structurele componenten zoals balken, palen en leuningen. Hun kracht- en corrosieweerstand is essentieel voor het handhaven van de integriteit van buitengebouwen, bruggen en andere infrastructuur die worden blootgesteld aan de elementen.Buiten- en mariene toepassingen
Roestvrijstalen koets boutenZijn de keuze voor buiten- en mariene toepassingen vanwege hun uitstekende weerstand tegen zoutwater en vochtigheid. Ze worden vaak gebruikt voor het beveiligen van componenten in boten, dokken en kustinfrastructuur, zodat deze bevestigingsmiddelen zware omgevingscondities kunnen weerstaan zonder af te breken.Zwaar materieel en machines
Roestvrijstalen koets boutenworden vaak gebruikt bij de montage en reparatie van zware machines en apparatuur. Hun vermogen om grote belastingen en spanningen aan te kunnen, maakt ze essentieel voor het handhaven van de veiligheid en betrouwbaarheid van apparatuur in industrieën zoals mijnbouw, constructie en productie.DIY -projecten en huisverbetering
Roestvrijstalen koets boutenzijn een populaire keuze voor doe -het -zelf -enthousiastelingen en projecten voor woningverbetering. Of u nu een tuintrellis bouwt, een opslagloods monteert of buitenafrastering installeert, deze bouten bieden een betrouwbare en duurzame bevestigingsoplossing die ervoor zorgt dat uw project nog jaren veilig blijft.
Waarom kiezenRoestvrijstalen koets bouten?
Superieure corrosieweerstand
Een van de belangrijkste redenen om te kiezenroestvrijstalen koets boutenis hun uitzonderlijke weerstand tegen corrosie. Gemaakt van hoogwaardig roestvrij staal, deze bouten weerstaan roest, oxidatie en afbraak, waardoor ze ideaal zijn voor gebruik in buiten- en mariene omgevingen.Sterke en veilige verbindingen
De vierkante nek en het volledig schroefdraadontwerp vanroestvrijstalen koets boutenZorg voor een strakke en veilige pasvorm die zich in de loop van de tijd oplosst of verschuift. Deze betrouwbaarheid maakt hen een voorkeurskeuze voor toepassingen waarbij prestaties op lange termijn en veiligheid van cruciaal belang zijn.Eenvoudige installatie
De vierkante nek voorkomt rotatie tijdens de installatie, waardoor het gemakkelijker is om componenten veilig te bevestigen zonder dat extra vergrendelingsmechanismen nodig zijn. Deze functie maaktroestvrijstalen koets boutenEenvoudig te gebruiken in zowel professionele als doe -het -zelfprojecten.Onderhoudsarme
Roestvrijstalen koets boutenvereisen minimaal onderhoud, vooral in vergelijking met bouten gemaakt van andere materialen. Hun weerstand tegen corrosie en slijtage betekent dat u zich geen zorgen hoeft te maken over frequente vervangingen of reparaties, waardoor u op de lange termijn tijd en geld bespaart.
Conclusie: de betrouwbaarheid vanRoestvrijstalen koets bouten
Concluderend,roestvrijstalen koets boutenzijn een essentiële bevestigingsoplossing voor een breed scala aan toepassingen, van houtbewerking en constructie tot outdoor- en mariene projecten. Hun unieke ontwerp, inclusief de vierkante nek en afgeronde kop, biedt uitzonderlijke sterkte, stabiliteit en weerstand tegen corrosie. Of u nu aan een doe -het -zelf -thuisproject werkt of een duurzame bevestigingsoplossing nodig hebt voor zware machines,roestvrijstalen koets boutenBied de betrouwbaarheid, kracht en esthetische aantrekkingskracht aan die nodig is voor langdurige prestaties.
Kies voor uw volgende projectroestvrijstalen koets boutenOm een veilige, duurzame en corrosiebestendige bevestigingsoplossing te garanderen die de tand des tijds doorstaat.





