DIN EN 1665 Zeskantflensbouten-zware serie
Product: DIN EN 1665 Zeskantflensbouten-Zware serie
Eigendomsklasse: 4.6,4.8,5.6,5.8,8.8,10.9,12.9,
A2-70, A4-70,A4-80
Afwerking: verzinkt (geel zink, zinkblauw, spoelkleur), zwart, fosfaat en olie, zinkfosfaat, thermisch verzinkt (HDG), Dacromet, Geomet
Materiaal: staal
Exportland: VS, Japan, Australië, Europa enzovoort
Ondersteuning van klantaanpassing
DIN EN 1665 zware zeshoekige flensvlakbout is een soort bevestigingsmiddel, voornamelijk samengesteld uit zeshoekige kop, flensplaat en schroefstang. Zware zeskantflensbouten hebben een aantal unieke voordelen ten opzichte van gewone bouten. Ten eerste heeft het flensdeel een dun deel dat enigszins kan vervormen om de verbinding sterker te maken. Ten tweede kan de boutkop, omdat de boutkop klein is en de flens een aanspannend effect heeft, veilig worden gebruikt, zelfs op zachtere, niet-slijtvaste materialen, zonder lekke banden te veroorzaken. Omdat flensbouten kleinere koppen hebben, kunnen ze bovendien eenvoudig in gaten worden geïnstalleerd met behulp van speciaal gereedschap, vergelijkbaar met de manier waarop binnenzeskantbouten worden geïnstalleerd.
Afbeeldingen
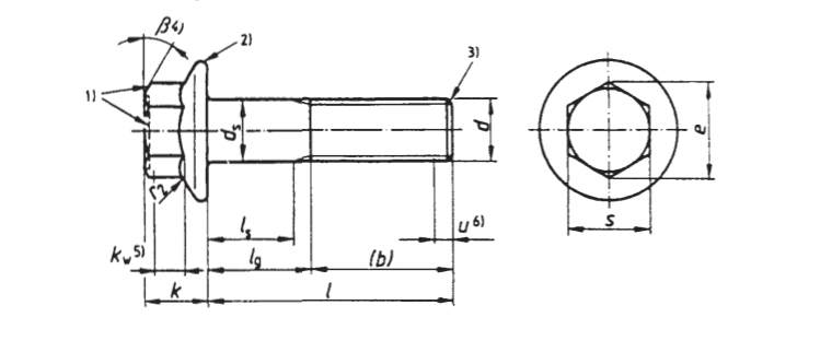
Producttekening
Productspecificatie
Maat |
M5 |
M6 |
M8 |
M10 |
M12 |
M14 |
M16 |
M20 |
|
P |
0,8 |
1,0 |
1.25 |
1.5 |
1,75 |
2.0 |
2.0 |
2.5 |
|
B |
l<125 |
16 |
18 |
22 |
26 |
30 |
34 |
38 |
46 |
125
|
/ |
/ |
28 |
32 |
36 |
40 |
44 |
52 |
|
l>200 |
/ |
/ |
/ |
/ |
/ |
/ |
57 |
65 |
|
c min |
1 |
1.1 |
1.2 |
1.5 |
1.8 |
2.1 |
2.4 |
3.0 |
|
da |
Typ F |
5.7 |
6.8 |
9.2 |
11.2 |
13.7 |
15.7 |
17.7 |
22.4 |
Type U |
6.2 |
7.5 |
10.0 |
12.5 |
15.2 |
17.7 |
20.5 |
25.7 |
|
gelijkstroom max |
11.8 |
14.2 |
18.0 |
22.3 |
26.6 |
30,5 |
35,0 |
43,0 |
|
ds |
maximaal |
5,0 |
6,0 |
8,0 |
10.0 |
12.0 |
14.0 |
16.0 |
20.0 |
min |
4.82 |
5,82 |
7,78 |
9,78 |
11.73 |
13.73 |
15.73 |
19.67 |
|
dv-max |
5.5 |
6.6 |
8.8 |
10.8 |
12.8 |
14.8 |
17.2 |
21.6 |
|
dw min |
9.8 |
12.2 |
15.8 |
19.6 |
23.8 |
27.6 |
31.9 |
39,9 |
|
e min |
8.71 |
10.95 |
14.26 |
17.62 |
19.86 |
23.15 |
26.51 |
33.23 |
|
k max |
5.8 |
6.6 |
8.1 |
10.4 |
11.8 |
13.7 |
15.4 |
18.9 |
|
kW min |
2.6 |
3.0 |
3.9 |
5.1 |
5.6 |
6.5 |
7.3 |
8.9 |
|
Als max |
1.4 |
1.6 |
2.1 |
2.1 |
2.1 |
2.1 |
3.2 |
4.2 |
|
r1 min |
0,2 |
0,25 |
0,4 |
0,4 |
0,6 |
0,6 |
0,6 |
0,8 |
|
r2 maximaal |
0,3 |
0,4 |
0,5 |
0,6 |
0,7 |
0,9 |
1,0 |
1.2 |
|
r3 |
maximaal |
0,25 |
0,26 |
0,36 |
0,45 |
0,54 |
0,63 |
0,72 |
0,9 |
min |
0,10 |
0,11 |
0,16 |
0,20 |
0,24 |
0,28 |
0,32 |
0,4 |
|
r4 |
4,0 |
4.4 |
5.7 |
5.7 |
5.7 |
5.7 |
8.8 |
11.4 |
|
S |
maximaal |
8,0 |
10.0 |
13.0 |
16.0 |
18.0 |
21.0 |
24.0 |
30.0 |
min |
7,78 |
9,78 |
12.73 |
15.73 |
17.73 |
20.67 |
23.67 |
29.67 |
|
v |
maximaal |
0,15 |
0,20 |
0,25 |
0,30 |
0,35 |
0,45 |
0,50 |
0,65 |
min |
0,05 |
0,05 |
0,1 |
0,15 |
0,15 |
0,2 |
0,25 |
0,30 |
|
Ondersteuning van klantaanpassing |
|||||||||
Een introductie over ons bedrijf
Sollicitatie
Onze producten worden veel gebruikt in de mechanische, elektrische, automobiel-, bouwconstructies, spoorwegen, bruggen, stoomschepen, brandbeveiligings- en communicatiesystemen, enz.
Werkplaats
Certificering
Door middel van wetenschappelijk management heeft Jinan Star Fastener Co., Ltd. de 2015-versie van de ISO9001-certificering van het kwaliteitsmanagementsysteem verkregen. In 2017 slaagde het laboratorium voor de nationale CNAS-certificering. In 2018 slaagde het bedrijf voor de Europese CE-certificering.
Uitrusting testen
Ons bedrijf beschikt over een gespecialiseerd laboratorium met digitale hardheidstesters, microscopen, universele testmachines, axiale krachtmeters, detectieapparatuur voor waterstofverbrossing, magnetische deeltjesfoutdetectoren, enz. Experimentele testapparatuur wordt gebruikt om uitgebreide tests uit te voeren van de chemische samenstelling van grondstoffen, producthardheid, mechanische eigenschappen, laagdikte en corrosieweerstand om ervoor te zorgen dat alle producten aan de standaardvereisten voldoen en klanten tevreden stellen.
Productieapparatuur
Ons bedrijf beschikt over meer dan 300 productieapparatuur. Het productieproces van het product omvat: gloeien, gritstralen, koude kop, draadwalsen, warmtebehandeling, galvaniseren, testen van het eindproduct, verpakking, enz. worden allemaal in het bedrijf voltooid.
Inpakken
Dienst
1. Jinan Star Company kan zware zeshoekige flensvlakbouten leveren in overeenstemming met de DIN EN 1665-normen, inclusief producten van verschillende afmetingen, materialen en prestatieniveaus.
2. Als de klant bouten van een specifiek formaat, materiaal of prestatieniveau nodig heeft, kan Jinan Star Company de productie aanpassen aan de behoeften van de klant.
3. Jinan Star Company heeft een compleet logistiek systeem dat producten snel en nauwkeurig kan leveren op de door de klant aangewezen locaties.
FAQ
1. Hoe kan ik de productkwaliteit garanderen?
Antwoord: Jinan Star Company produceert bouten in strikte overeenstemming met de DIN EN 1665-normen en voert strenge kwaliteitscontroles uit op de producten om ervoor te zorgen dat de productkwaliteit aan de standaardvereisten voldoet.
2. Hoe lang is de levertijd van bouten?
Antwoord: Jinan Star Company regelt de productie en levering zo snel mogelijk om ervoor te zorgen dat klanten de producten op tijd kunnen ontvangen.
3. Hoe kies je geschikte bouten?
Antwoord: Klanten kunnen geschikte bouten kiezen op basis van factoren zoals de aard van de te verbinden materialen, de sterkte-eisen van de verbinding en de gebruiksomgeving. De technische staf van Jinan Star Company kan klanten selectiesuggesties geven.
4. Wat moet ik doen als er problemen optreden tijdens het gebruik van bouten?
Antwoord: Als klanten tijdens het gebruik problemen met de kwaliteit van de bouten of technische problemen tegenkomen, kunnen ze op elk moment contact opnemen met de after-sales serviceafdeling van Jinan Star Company en zullen we klanten zo snel mogelijk oplossingen bieden.














