GB-T 70.2 Inbusschroeven met bolkop
Product: GB-T 70.2 binnenzeskant bolkopschroeven
Eigenschap klasse: 4.6,4.8,5.6,5.8,8.8,10.9,12.9,
A2-70, A4-70, A4-80
Afwerking: Zinkplating (Geel Zink, Zinkblauw, Spoelkleur), Zwart, Fosfaat & Olie, Zinkfosfaat, Hot-dip Gegalvaniseerd (HDG), Dacromet, Geomet
Materiaal: Staal
Exportland: VS, Japan, Australië, Europa enzovoort
Ondersteuning van klantaanpassing
GB-T 70.2 zeskantschroeven met bolkop: kenmerken, toepassingen en voordelen
Introductie
DeGB-T 70.2 Inbusschroeven met bolkopzijn nauwkeurig ontworpen bevestigingsmiddelen die zijn ontworpen om een betrouwbare en veilige bevestigingsoplossing te bieden voor verschillende industriële toepassingen. Vervaardigd volgens deGB-T 70.2Standaard zijn deze schroeven voorzien van een knoopvormige kop met een inbusaandrijving. Dit unieke ontwerp biedt een superieure koppeloverdracht en een compact profiel, waardoor ze ideaal zijn voor gebruik in krappe ruimtes waar traditionele bevestigingsmiddelen mogelijk niet passen. DeGB-T 70.2 Inbusschroeven met bolkopstaan bekend om hun duurzaamheid, installatiegemak en veelzijdigheid in tal van sectoren.
Foto 's
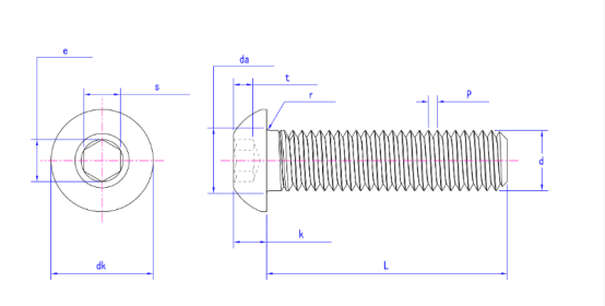
Product tekening
Belangrijkste kenmerken van GB-T 70.2 zeskantige inbusschroeven
Knopkopontwerp voor een laag profiel en esthetische aantrekkingskracht
DeGB-T 70.2 Inbusschroeven met bolkopVoorzien van een onopvallende, afgeronde knoopvormige kop die zorgt voor een gladde, afgewerkte uitstraling. Dit ontwerp is perfect voor toepassingen waar esthetiek belangrijk is of wanneer de schroef zo moet worden geïnstalleerd dat uitsteeksel tot een minimum wordt beperkt. De knopkop vermindert ook het risico dat hij blijft haken of blijft haken aan omringende materialen.Inbusaandrijving voor veilig aandraaien
DeGB-T 70.2 Inbusschroeven met bolkopgebruik een zeskantige dopaandrijving, die nauwkeurig vastdraaien mogelijk maakt met een inbussleutel of inbussleutel. Dit type aandrijving zorgt voor een veilige grip en minimaliseert het risico op strippen, waardoor het een superieure koppeloverdracht biedt in vergelijking met andere aandrijftypes. Het is vooral nuttig in toepassingen die een hoog koppel vereisen of waar de ruimte beperkt is voor andere soorten gereedschappen.Materiaalconstructie met hoge sterkte
Deze schroeven zijn gemaakt van zeer sterke materialen, waaronder koolstofstaal, roestvrij staal en gelegeerd staal. DeGB-T 70.2 Inbusschroeven met bolkopzijn ontworpen om bestand te zijn tegen hoge trekbelastingen en ruwe omgevingen, waardoor ze ideaal zijn voor toepassingen waar duurzaamheid en betrouwbaarheid van het grootste belang zijn. De materiaalkeuze zorgt ervoor dat de schroeven na verloop van tijd hun sterkte en integriteit behouden, zelfs in uitdagende omstandigheden.Corrosiebestendige coatings voor een lange levensduur
Om de levensduur en weerstand tegen omgevingsfactoren te verhogen,GB-T 70.2 Inbusschroeven met bolkopZijn vaak gecoat met corrosiebestendige afwerkingen zoals verzinken, galvaniseren of andere beschermende coatings. Deze coatings helpen de schroeven te beschermen tegen roest, oxidatie en andere vormen van corrosie, waardoor prestaties op lange termijn worden gegarandeerd, vooral in buiten- of maritieme omgevingen.Precisieproductie voor consistentie en betrouwbaarheid
DeGB-T 70.2 Inbusschroeven met bolkopzijn vervaardigd met nauwkeurige afmetingen, wat zorgt voor een consistente pasvorm en betrouwbare prestaties. Hun gestandaardiseerde ontwerp zorgt voor eenvoudige installatie en vervanging, waardoor ze een go-to-oplossing zijn voor zowel nieuwe projecten als onderhoudswerkzaamheden. Dit niveau van precisie vermindert het risico op installatiefouten en garandeert optimale prestaties.
Toepassingen van GB-T 70.2 zeskantige bolkopschroeven
Elektronica en elektrische apparatuur
DeGB-T 70.2 Inbusschroeven met bolkopworden vaak gebruikt in de elektronica-industrie, waar een onopvallende en veilige bevestigingsoplossing vereist is. Deze schroeven zijn perfect voor het bevestigen van onderdelen in elektronische apparaten, waaronder printplaten, behuizingen en andere componenten waar de ruimte beperkt is en precisie essentieel is.Automobiel- en lucht- en ruimtevaartindustrie
In de auto- en ruimtevaartindustrie is deGB-T 70.2 Inbusschroeven met bolkopworden gebruikt om kritieke componenten zoals motoronderdelen, carrosseriepanelen en montage-armaturen te beveiligen. De sterkte, duurzaamheid en het lage profiel van deze schroeven maken ze ideaal voor toepassingen die een betrouwbare bevestiging vereisen onder hoge stressomstandigheden, zoals hogesnelheidsmachines of vliegtuigen.Machines en zwaar materieel
GB-T 70.2 Inbusschroeven met bolkopworden ook gebruikt in de sectoren machines en zwaar materieel, waar een hoge sterkte en veilige bevestiging vereist is. Deze schroeven zijn ideaal voor het bevestigen van onderdelen op industriële machines, waar trillingen en zware belastingen veel voorkomen. De zeskantaandrijving zorgt voor een nauwkeurige aandraaiing, waardoor de kans op losraken of defect na verloop van tijd wordt verkleind.Meubels en huishoudelijke apparaten
DeGB-T 70.2 Inbusschroeven met bolkopWorden ook vaak gebruikt in de meubel- en huishoudelijke apparatenindustrie. Hun compacte en onopvallende ontwerp maakt ze perfect voor gebruik bij het monteren van meubels, vooral wanneer esthetiek en ruimte-efficiëntie belangrijke overwegingen zijn. Deze schroeven zorgen voor een veilige, strakke pasvorm voor onderdelen zoals poten, frames en kastcomponenten.Medische apparatuur en apparaten
In de medische industrie is precisie cruciaal, en deGB-T 70.2 Inbusschroeven met bolkopBied een betrouwbare oplossing voor het bevestigen van medische apparatuur en apparaten. Hun hoge sterkte, corrosiebestendigheid en onopvallende ontwerp maken ze geschikt voor gebruik bij de assemblage van chirurgisch gereedschap, diagnostische apparatuur en andere medische instrumenten die veilige, duurzame bevestigingsmiddelen vereisen.
Voordelen van GB-T 70.2 binnenzeskantschroeven
Compact en esthetisch ontwerp
De knoopkop van deGB-T 70.2 Inbusschroeven met bolkopBiedt een slank, onopvallend ontwerp, wat ideaal is voor toepassingen waar de ruimte beperkt is of waar een glad, afgewerkt uiterlijk nodig is. Dit ontwerp minimaliseert het risico op interferentie met omliggende componenten en draagt bij aan een schone, professionele afwerking.Superieur koppel en aanhaalvermogen
De inbusaandrijving van deGB-T 70.2 Inbusschroeven met bolkopZorgt voor een veilig en betrouwbaar aanhaalproces. Dit type aandrijving zorgt voor een uitstekende koppeloverdracht, waardoor het risico op slippen wordt verminderd en de schroef correct wordt geïnstalleerd en vastgezet.Corrosiebestendig voor een lange levensduur
DeGB-T 70.2 Inbusschroeven met bolkopworden vaak behandeld met corrosiebestendige coatings, zodat ze zelfs in ruwe omgevingen goed presteren. Deze coatings helpen de schroeven te beschermen tegen omgevingselementen, zoals vocht en chemicaliën, en verlengen de levensduur van het bevestigingsmiddel, waardoor ze ideaal zijn voor buiten- of maritieme toepassingen.Hoge sterkte en duurzaamheid
Vervaardigd uit hoogwaardige materialen, deGB-T 70.2 Inbusschroeven met bolkopzijn gebouwd om lang mee te gaan. Ze zijn bestand tegen hoge trekkrachten en zijn bestand tegen vervorming, waardoor ze hun integriteit behouden onder zware belasting en spanning. Deze duurzaamheid maakt ze geschikt voor zowel low-stress als high-stress omgevingen.Eenvoudige installatie en onderhoud
De zeskantaandrijving zorgt voor eenvoudige installatie en verwijdering van deGB-T 70.2 Inbusschroeven met bolkopMet het juiste gereedschap, waardoor de installatietijd en -inspanning worden verminderd. De precisiefabricage zorgt ervoor dat de schroeven perfect en stevig passen, wat zorgt voor een probleemloze bevestigingservaring.
DeGB-T 70.2 Inbusschroeven met bolkopzijn een veelzijdige en betrouwbare bevestigingsoplossing voor een breed scala aan toepassingen. Hun onopvallende ontwerp met knopkop, gecombineerd met de veilige zeskantige dopaandrijving, zorgt voor een superieure koppeloverdracht en installatiegemak. Of ze nu worden gebruikt in elektronica, auto's, machines, meubels of medische apparatuur, deze schroeven bieden een duurzame, esthetische en efficiënte bevestigingsoplossing. Hun corrosiebestendigheid en zeer sterke constructie zorgen voor prestaties op lange termijn, waardoor deGB-T 70.2 Inbusschroeven met bolkopEen uitstekende keuze voor industrieën die precisie en betrouwbaarheid vereisen.





